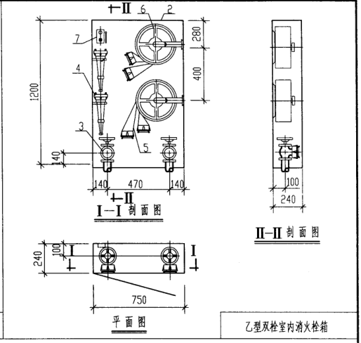
规格型号:SG24C65-P 高: 1200mm 宽: 750mm 厚度: 240mm 消火栓公称通径: DN65 箱体板材厚度: 1.2mm 箱体板材材质: 不锈钢 箱门颜色: 红色冰花 水带安置方式: 盘卷式 软管卷盘配置: 无 质量: 国标/包检
消火栓箱箱体的长边(长),短边(宽)及厚度尺寸应满足规范要求,箱门关闭到位后,应与四周框面平齐,其不平的最大允差为2.0mm。箱门与框之间的间隙应均匀平直,最大间隙不超过2.5mm。栓箱正面上的零部件,凸出箱门外表平面的高度不得大于15.0mm;其余各面的零部件,凸出该面外表平面的高度不得超过10.0mm。箱体应使用厚度不小于1.2mm的不锈钢材料制造,也可使用符合GB14561-2003的5.79要求的其他材料。栓箱箱门材料可根据消防工程特点,结合室内建筑装饰要求确定。








正品,优质,放心
物美,价廉,贴心
型号规格齐全,省心
正品,优质,放心
正品,优质,放心
退换货保障,安心